查看: 17|回复: 0

[数模+图纸] PC-DMIS海克斯康 DEMO图纸 一份

[复制链接]

110

主题

2

回帖

40

积分
发表于 2026-3-31 15:47:43 | 显示全部楼层 |阅读模式
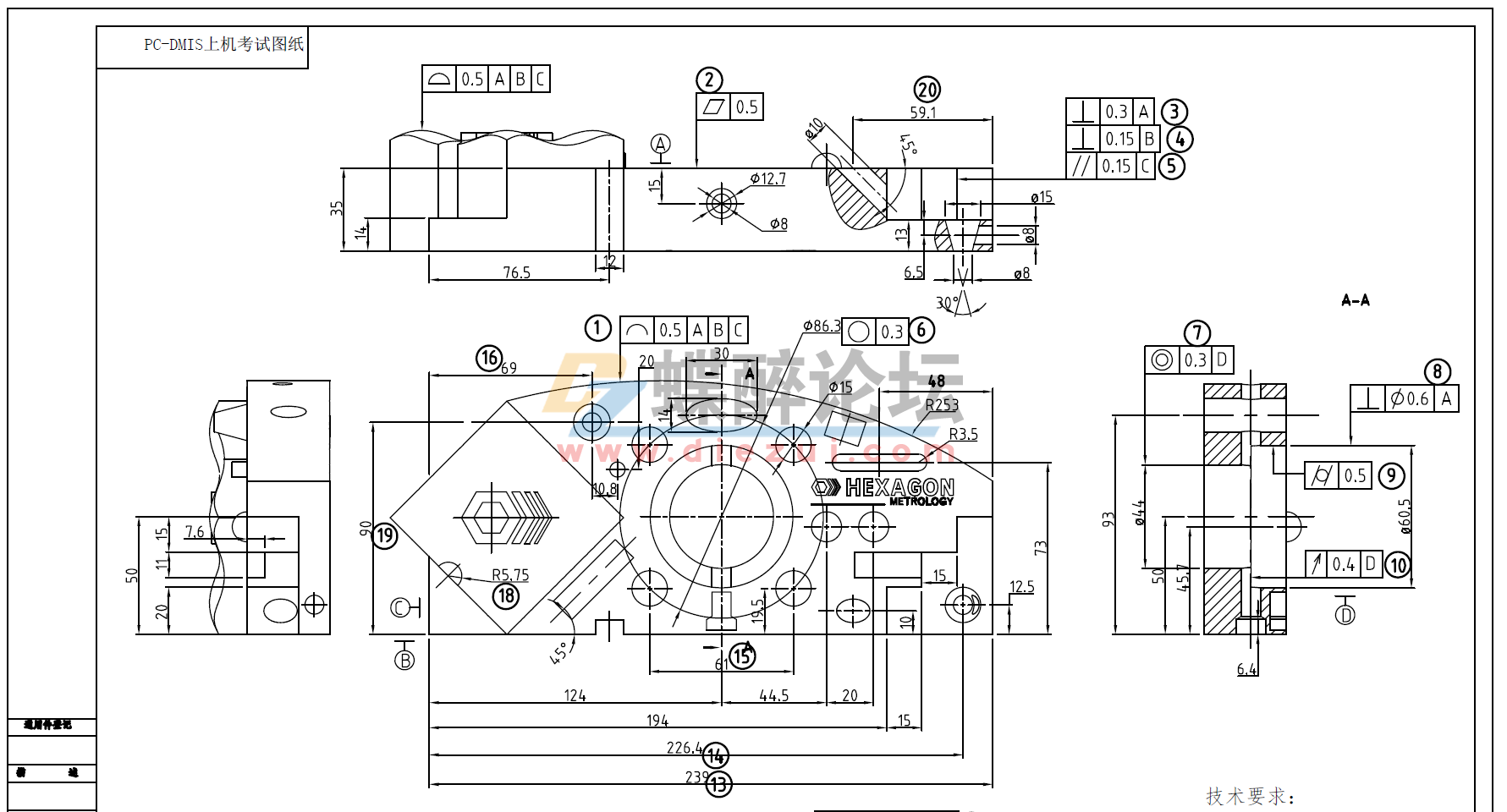
PC-DMIS海克斯康 DEMO图纸 一份

ScreenShot_2026-03-31_154529_198.png




游客,如果您要查看本帖隐藏内容请回复




您需要登录后才可以回帖 登录 | 立即注册

本版积分规则

关注公众号

相关侵权、举报、投诉及建议等,请发 E-mail:admin@discuz.vip

Powered by Discuz! X5.0 © 2001-2026 Discuz! Team.

在本版发帖
关注公众号
返回顶部